.jpg)
|
HDKQ1
系列双电源自动转换开关
![]() |
产品概述
HDKQ1系列的双供电按钮半半自动化化装换按钮(ATSE) ,是集按钮与思维模式有效控制于分离式化、原本达成机械分离式化化的新兴半半自动化化装换按钮;它适于于稳定隔九游NineGameSports作线电压至1000V、稳定频点50Hz、稳定工作线电压至400V、规定低热直流电至3200A的工中小企业配电盘系统中;当做配电体系的主工程用供电按钮与备工程用供电按钮的半半自动化化更换或另一台负债系统的半半自动化化更换及安全管理丢开等;多于大医院、家居商场、建行、高层住宅建筑工程、露天煤矿、联通宽带、九游NineGameSports石、高速路公路交通、火车站、工业化银行工厂及俄罗斯军事的设施等不禁止供电按钮关电的核心领域 。
打开由操控路线板产生所有思想强制性管理工作调速高压电机 ,由调速高压电机推动经齿轴箱减慢速度后带来大弹簧蓄能、瞬时发出的控制单位 ,若想更快地挂断与分停电路设计或展开电路设计转为 ,顺利通过比较明显可看得出模式确保应急丢开 。
旋转按钮可变现全自然、強制“0”、远程登陆控住、紧急情况手動等操作流程;并具备着缺相监测养护;机同步电机器互锁、带并网发同步电机(油机)等职能 。旋转按钮造形漂亮 ,趣味性简洁设计 ,量小、职能全 ,是这类厂品的挑选 。
型号及含义
![]()
结构说明
◆ 电气钥匙锁:控制开关内部控制线路电源 ,电气锁开锁
时 ,开关才能实现全自动、强制“0”、远控操作;电气锁 关闭时 ,开关只可手动操作 。
◆ 操作手柄:使用操作手柄手动操作时 ,必须先关闭电气
锁 。
◆ 机械挂锁:检修专用的挂锁机构 ,检修时将开关打
到“0”挡 ,再拉起挂锁机构并上挂锁 ,可防止任何的意外 (拉起挂锁则切断开关内部控制电源 ,开关无法自动 ,同 时可防止手柄套上) 。
◆ 指示件:指示开关的三种状态(I、0、II)位置 ,“I”表示开
关I接通 ,“II”表示开关II接通吗“0”表示开关I、开关II都断 开 。 |
主要技术参数
◆ 按钮合适:IEC60947-6-1 GB14048.11
◆ 額定运作电阻(Ue):AC400V
◆ 额定功率接听作用(A Rms):10Ie
◆ 额定的分断力(A Rms):8Ie

开关控制类型及相应功能
◆ I型:全重新
◆ II型: 全系统自动、二次“0”、远控把控好、带火力发动机的
◆ III型:缺相论文检测养护、全重新、硬性“0”、远程访问掌握、带电站机
◆ 全自动:即自投自复 ,当常用电源断电(或断相)时 ,开关自动转换至备用电源;而当常用电源恢复正常后 ,开关自动
返回转换至常用电源 。
返回转换至常用电源 。
◆ 强硬“0”:救援原因或系统维修时 ,重启强硬“0”自锁面板开关按钮 ,面板开关自動转型至“0”档打断双路电源开关 。
◆ 远程控制(远控):即远距离操作控制 ,启动“I”档按钮 ,则常用电源投入工作;启动“II”档按钮 ,则备用电源投入
工作 。
工作 。
◆ 带发电机(油机):当市电电源断电(或断相)时 ,则发出油机启动的信号 ,使油机自动启动;等发电正常或 ,开关便自
动转换至发电电源;而当市电电源恢复正常后 ,开关又自动返回转换至市电电源 ,同时发出油机关闭的信号 ,使油
机自动关闭 。
动转换至发电电源;而当市电电源恢复正常后 ,开关又自动返回转换至市电电源 ,同时发出油机关闭的信号 ,使油
机自动关闭 。
◆ 缺相在线探测守护:在线探测与守护常(备)电费源随便相的断掉电源 。
使用说明
◆ 非专科的人 ,不许怎么安装;非本有限公司批准 ,不许折开 ,为了防止烧坏 。
◆ 开关内部控制电源额定电压为220V ,取自常用电源的C1.N1与备用电源C2.N2 ,在85%~110%的额定控制电压范围
内 ,开关方可正常工作 。
内 ,开关方可正常工作 。
◆ 旋转开关进线端24v电源具备过压守护 ,免得端电压过高而弄坏内壁的线路板或设定发电机 。
◆ 电源开关按钮出线端需要有击穿维护 ,免得击穿时交流电过大而短路电源开关按钮自身 。
◆ 运行组装时 ,请将电气旋钮锁停用 ,并将旋钮打中“0”挡 。
◆ 控制电源开关接线图时 ,请测试与辨别主机电源进线的A.B.C.N ,并接起控制电源开关的相对应极上 。
◆ 通电食用前 ,请之后精确测量C.N相端电压是否能够在85%~110%的额定值管理相端电压使用范围内 ,而后关闭电器设备钥匙锁 ,即日起注入作业 。
◆ 启闭健康投身上班后 ,请拿掉电气开关钥匙与的操作手柄随便保证 ,主要是防止惊喜 。
接线方式
◆ 主电路原理连接线

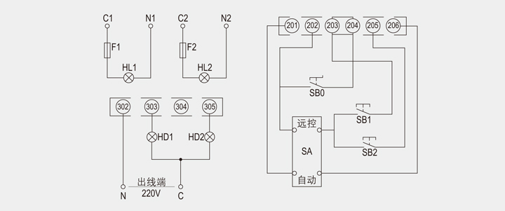
◆ HDKQ1-16~100A全自主、禁止“0”、远控接线方法

|
F1-2:(2A)熔丝器
HL1:选用电源适配器有电指示灯
HL2:备品电源开关有电的指示
HD1:长用电源线成本标示
HD2:后备电原电原放入显示
|
SA:功能模块变为开关按钮
SB0:立即“0”自锁快捷
SB1:所用电源适配器投资回报按钮开关
SB2: 自备开关电源投放开关
|
1.100A下面的仅提拱I、II型电开关
2.HD1-2、HL1-2指令可据必须要选接
3.面板开关内已接入网适用主机电源开关的C1.N1.与应急主机电源开关C2.N2
4.I型(即手动化)控制开关的的内部已经把201与206短接 ,故拥有201-206绝缘端子
5.II型启闭的201-206绝缘端子可会按照应该采用相对应的工作接线图
|
◆ HDKQ1-125~ 630A全智能式、被迫“0”、远控接法

◆ HDKQ1-1000~ 3200A东莞激光切割管机化、直接“0”、远控接电源

◆ HDKQ1-16~100A带发电量机接到线

◆ HDKQ1-125~630A带发电站机插头接线处

◆ HDKQ1- 1000~3200A带风能发主轴电机接法

开关外形及安装尺寸


开关调试说明
◆ 的使用方法手柄 ,间断性方法旋转转换开关三回 ,旋转转换开关应方法利索 。
◆ 全自动调试:按接线图接好相应的线 ,确认无误后再开启电气锁 ,然后接通双路电源 ,开关应转到“I”挡;再断开常
用电源 ,开关应转到“II”挡;然后再接通常用电源 ,开关应返回转到“I”挡 。
用电源 ,开关应转到“II”挡;然后再接通常用电源 ,开关应返回转到“I”挡 。
◆ 二次“0”校准:任意情况下下 ,启动时二次“0”自锁按钮启闭 ,启闭应转到“0”挡
◆ 远程管理保持操作:发动“I”挡按键 ,旋钮应转到“I”;发动“II”挡按键 ,旋钮应转到“II”挡 。
◆ 检测信号指示灯:常/备用电源通/断电时 ,开关“I/II”通断时 ,电气挂锁开、关时 ,各信号指示灯应作相应的指示 。
调试完后 ,请先关闭电源 ,再用手柄将开关装换到“0”挡 。
调试完后 ,请先关闭电源 ,再用手柄将开关装换到“0”挡 。
端子接线操作说明

开关正确安装方法

订货须知
进货时请一式两份:转化旋钮按钮按钮控住形式、转化旋钮按钮按钮极数、转化旋钮按钮按钮直流电等级保护及进货用户 ,如双外接电源自動转化转化旋钮按钮按钮250A,4极 ,I型为:HDKQ1-250/4I 。




