首页|设为首页|加入收藏

   
HDK9910
数字式PT 并列装置

实用标准
       主要适用于110kV及以下变电站中各电压等级母线的电压投切及并列、双母线电压切换及主变低压侧双分支的电压切换  。

   

功能配置

   

装置整定
       装置整定包括软压板和装置定值等两方面 。
       整定应遵循有关规程  ,本装置有特殊要求者见有关注释 。装置参数中无特殊需要者  ,可取表中列出的缺省值 。不用的保护功能  ,应将其控制定值设为0—退出  。

   

安装软母线整定

注:软压板只有两个取值:投入、退出 。装置出厂时  ,软压板均整定为退出 。
 
 

装置定值整定

 

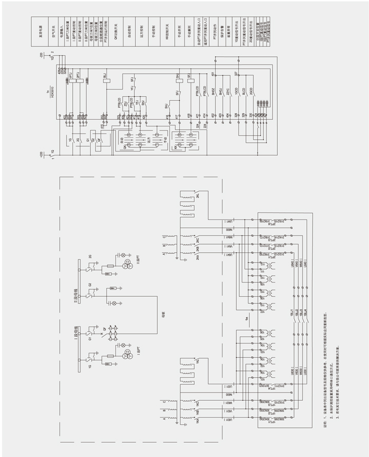
装置背板图

 

装置接线示意图