.jpg)
HDKV1-12P型户内互动油田负压真空万能高压断路器是单相互动50Hz ,电机额定功率的电压为7.2~12kV的户内电源旋转启闭机器 ,可供矿山设备厂家、来发火电厂及变电器站、组合件基础设施的掌控和保护性的用法 ,并满足于多次的操作的场地 。选取VET操因素构与真空万能高压断路器本体协同一体化 ,设定就行为紧固位置安裝标段测试卷 ,也可配些用有序推进部门 ,组建手车标段测试卷在使用 。主二次回路一些可选取综合固封极柱 ,以改变真空万能高压断路器不同规格的中实用化、高靠得住、免运营维护 ,可配些KYN28A-12(GZS)等中置手车式电源旋转启闭柜 ,也可配些于XGN紧固位置式电源旋转启闭柜 。
本低压断路器满足GB1984-2003、GB/T11022-1999、DL/T403-2001、IEC62271-100:2003等我国国内、国家有关规则 。
技术参数


◆ 40kA分-180s-合分-180s-合分
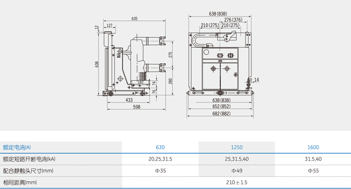
外形及安装尺寸图


(括号内尺寸为相距275mm的配小电流1000宽柜子的图)



