.jpg)
HDKM3型号pp塑料壳体式负荷开关(下列简单来说就是负荷开关) ,是本集团通过香港国际比较好的设汁生产技術制造开发管理的九游NineGameSports型负荷开关之1 。 其电机特殊功率绝缘层直流端电压为690V ,适用人群于交流活动50Hz ,电机特殊功率上班直流端电压690V及下列电机特殊功率上班直流端电压至800A的三极管中作不过于经常地转化及电动伸缩机不过于经常地初始化之者 。负荷开关体现了超负荷发生故障和欠直流端电压保護试验装置 ,能保護方式和开关电源机械设备使用暴力破坏 。
短路故障器根据其稳定超凡短路故障分断程度(lcu)的强弱 ,分成L 型(要求型)、M型(较得分断型)、H型(得分断型)四类 。该短路故障器极具重量小分断高飞弧短(这部分标准零飞弧)、抗高频振动等结构特征是大陆架及油船运用的满意厂品 。
本一类别塑壳万能断路器可向下使用程序(即竖装) ,而能水平方向使用程序(即横装) 。本一类别塑壳万能断路器具有着丢开功效点符号图案为 。
本题材空气开关适合下例规格:
G B 1 4 0 4 8 . 1 《高压血压低压高面板设定开关系统和操控系统首位 环节: 总则》、GB14048.2《高压血压低压高面板设定开关系统和操控系统第2环节:负荷开关》 。
◆ 特殊绝缘带电阻值:690V;
◆ 壳架档次载荷系数电压电流:63A、100A、225A、400A、630A、800A;
◆ 分断力量高:最高的能达到100kA;
◆ 结构设计合理的、健康正规空间小权重轻、外表美观大气大气;
◆ 附注平种完备布置不方便快捷、实用不方便适宜性强 。

型号及含义


注:(1).配电用断路器无代号;保护电动机用断路器以2表示 。
(2).直接操作无代号;电动操作用P表示;转动手柄操作用Z表示 。
正常工作和安装条件
◆ 海拨高强度高强度2000m及左右;
◆ 边有物质平均温度不少于+40℃(对船用货品为+45℃)和不低 于-5℃;
◆ 水污染档次:III;
◆ 更耐发霉湿空气中的危害到;更耐受浓烟油雾的危害到;更耐受霉的危害到;
◆ 更大支持度为±22.5°;
◆ 在遭遇船运普通 振动幅度大时能稳定可靠做工作;
◆ 在获得地震来临具体情况下(4g)能安全可靠作业;
◆ 在无爆炸案的危险的有机溶剂中 ,且有机溶剂无可以侵蚀轻金属和严重破坏绝缘层的有害气体与导电灰尘的部分;
◆ 在就没有雨夹雪侵蚀性的空间 。
分类
|
按品牌设备极数包括二极(100A、225A)三极与四极(HDKM3-800无3级) 。四极品牌设备中性极(N极)的结构分4类:
A型:N极不配置过交流电脱扣器且N极一直以来都拨通 ,不和其 它三极一起去合分;
B型:N极不施工过电流量脱扣器 ,且N极与一些三极在一块合分; (N极先合后分);
C型:N极组装过瞬时电流脱扣器 ,且N极与多种三极一块合分; (N极先合后分);
D型:N极安裝过电流大小脱扣器且N极仍然接听电话 ,不与其他 三极一并合分 。
|
按额定值感应电流(A)分:
HDKM3-63 为(6) 10、16、20、25、32、40、50、63A九级(6A的规格为无过电压呵护);[带 ( ) 为不强烈推荐的规格为]
HDKM3-100 为(10)、16、20、25、32、40、50、63、80、 100A十多级;[带()为不介绍外形尺寸]
HDKM3-225 为 100、125、140、160、180、200、225A 7级;
HDKM3-400 为 225、250、315、350、400A 6级;
HDKM3-630 为 400、500、630A 三阶段;
HDKM3-800 为 630、700、800A 两级 。
按接到线两端玩法分成板前接到线两端、板后接到线两端、插入表格式七种 。
按过电压脱扣器连接结构分热动-电磁炉感应(小复式)型电磁炉感应(瞬时) 型有两种 。
|
脱扣方式及附件代号

注:
1、200:表示仅有电磁脱扣器的断路器本体;300:表示带有热动一电磁脱扣器的断路器本体;000:不带脱扣器的断路器本体;
2、对HDKM3-100、225二极产品只有210、310、220、320、230、330;对HDKM3-100、225四极断路器无218、318、248、348,
N极为A型和D型时无 240、340、260、360、268、368 。
N极为A型和D型时无 240、340、260、360、268、368 。
3. 对HDKM3-400、HDKM3-630及NPM12-800其中248、348、278、378规格中辅助触头为一对触头(即一常开一常闭) ,268、368
规格中的辅助触头为三对触头 。
规格中的辅助触头为三对触头 。
快速选型表


举例:
1、如订HDKM3-100M三极 ,电动机保护用额定电流为80A并带分励脱扣器、辅助触头 ,板前接线且要求两台带机械联锁机构 。
即写为订:HDKM3-100M/33402ln=80A,板前接线2台机械联锁 ,脱扣器线圈电压:AC230V 。
1、如订HDKM3-100M三极 ,电动机保护用额定电流为80A并带分励脱扣器、辅助触头 ,板前接线且要求两台带机械联锁机构 。
即写为订:HDKM3-100M/33402ln=80A,板前接线2台机械联锁 ,脱扣器线圈电压:AC230V 。
2、如订HDKM3-225四极配电用 ,额定电流为180A并带电动操机构及分励脱扣器 ,N极安装过电流脱扣器 ,且N极与其它三极一
起合分形式板后接线10台 。即写为订HDKM3-225P/4310C型 ,ln=180A板后接线10台 ,电操电压:AC230V ,脱扣 器线圈电
压:AC230V 。
起合分形式板后接线10台 。即写为订HDKM3-225P/4310C型 ,ln=180A板后接线10台 ,电操电压:AC230V ,脱扣 器线圈电
压:AC230V 。
保护特性
漏电断路器热动型脱扣设施有反有效期限形态;磁感应脱扣器为瞬时姿态 ,形态见下表(配电盘用)及(保障自主观因素用) 。

漏电断路器热动型脱扣设施有反有效期限形态;磁感应脱扣器为瞬时姿态 ,形态见下表(配电盘用)及(保障自主观因素用) 。

主要技术参数


连接导线的截面积与相适应的额定电流


不同九游NineGameSports温度下的降容系数


注:以上降容系数均在通于壳架额定电流下测得
外形及安装尺寸
HDKM3-63, 100、225样貌及的安装尺寸图(板前插头接线处)

HDKM3-63, 100、225样貌及的安装尺寸图(板前插头接线处)

表3 HDKM3-63、100、225自己的外观及的安装尺寸图(板前插头接线处)
单位:mm

HDKM3-400、630、800、1250外型及装置长宽(板前接线方法)(见表4)


表4 HDKM3-400、630、800、1250样貌及布置厚度(板前接电源)
单位:mm


表5 板后布线放入式外型及配置图片尺寸
单位:mm

断路器的内部附件和外部附件
|
真空断路器的内外超大附件
1、欠交流电压脱扣器
当电阻值下跌(因此迟缓下跌)到特殊电阻值的70%和35%区域内 ,欠电阻值脱扣器应健身动作;欠电阻值脱扣器在交流电源线电阻值不超脱扣器电阻值的35%时欠电阻值脱扣器还能以免空气开关闭拢;交流电源线电阻值乘以或不超85%时还能以确保空气开关闭拢 。
特殊温馨提示:放有欠直流直流相电压脱扣器的万能高压断路器有在欠直流直流相电压通以额定负载直流直流相电压的时候下 ,万能高压断路器才普通分重合闸 。
固定值(见表6)
表6欠输出功率脱扣器稳定输出功率及工作频率 ![]() |
2分励脱扣器
在70%~110%的固定电压下低压断路器能耐用闪断 。固定值(见表7)
表7分励脱扣器的载荷系数端电压及声音频率
![]() |

断路器的外部附件
1电动操作机构 。额定值和代号(见表8)
表8 电动操作机构的额定电压及频率



断路器安装电动操作机构的总高度(mm)(见表9)
表9 断路器安装电动操作机构的总高度
单位:mm

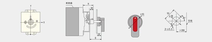
2 手动操作机构安装尺寸(见表10)
HDKM3-63~800手柄安装开孔示意图



注:安装时先将断路器装在安装架上 ,再将联锁机构装在断路器上 ,断路器相关安装尺寸见表3、表4 。
订货须知
用户在订货时采用订货代号进行订货 。 订货代号组成如下: 产品型号+额定电流规格代号(见表)
+内部附件额定电压代号(无时 ,用00表示)
+电动操作机构额定电压代号(无时用00表示)

例如:订货HDKM3-100L, 50A,三极 ,分励脱扣器(AC230V),电动揉作机构(AC230V),数量10台 。 订货代号为HDKM3-100LP/3310 50A
AC230V 10台 。



.jpg)
